Troubleshooting no ptt activation of BTECH UVPRO and wanted to test my Yaesu FT65R digirig lite to radio cable. I think I might have a bad cable. I have marked up the photo to show where I have found continuity. The two question marks have no continuity. Can anyone double check this? I think my PTT on this cable is open circuit between the digirig end and the radio end.
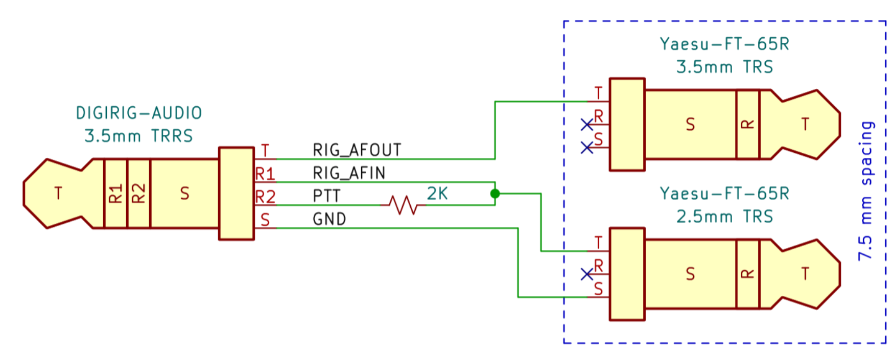
Here’s the schematic for the cable from the product page:
There were other reports of the cable not working with BTECH UV-PRO. The confirmed working combination was a K1 cable connected via the M1 to K1 adapter.
Ok, schematic appears to match my cable, let me try the k1 to m1 adapter. I should have hit the forum some time ago, spent a lot of time troubleshooting settings in winlink, varafm, and two separate radios, and two separate pc’s. Thanks
Has anyone purchased a Yaesu FT65R cable and was able to get the PTT to work with the Btech UVPro? The reason I bought that cable was that it was advertised as working with the btech UV pro. If nobody can get this work than it should not be advertised as compatible with that radio. I have been trying to run winlink, vara fm off my pc but never able to get audio and PTT to work.
I’ve pulled BTECH compatibility from the tags in FT-65R cable listing. Please reach out through the support for the return arrangements if you have no use for the cables.



