Connect Systems CS-800D+

From the schematic of the radio, it doesn’t appear that it has a PTT signal is available via the mic connector. The PTT must be done via serial CAT when it comes to mic.

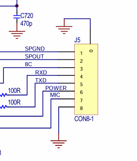
The hardware PTT is available via the accessory port as well as number of other signals:

The audio cable for Digirig will look like this:

DB15 pin #2 (EXT-MIC) → 3.5mm TRRS ring 1 (RIG_AFIN)
DB15 pin #4 (AF_PA) → 3.5mm TRRS tip (RIG_AFOUT)
DB15 pin #5 (EXT_PTT) → 3.5mm TRRS ring 2 (RIG_PTT)
DB15 pin #8 (GND) → 3.5mm TRRS sleeve (GND)

For extra credit connect to computer’s USB or downlink USB connection in Digirig DR-891 (highlighted green). Also available GPS output which can be connected to serial lines in Digirig Mobile.

Please report any attempts to implement above connections.

Was this just an informational post?

I support a number of CS800Ds and did my usual stripping of the Digirig from the case, inserting it into a DB15 shell. They are all out at other locations. i’ll look for a pic. This means it is just a USB C from the dongle to the PC. The Digirig stays attached to the radio.

Matt
AL0R

This was in response to an email from an operator asking about possibility of connecting CS800D using Digirig. Please correct the info if anything doesn’t look right.

Also, did you have any luck using radio’s USB lines (pins 11 & 12)?

I didn’t try the USB. Hmm… perhaps in a future iteration add a multiport USB for downstreaming radios like this? Just connected the necessary :slight_smile:

Not all 800Ds have GPS.

Matt
AL0R

1 Like

As far as radio’s native USB connection goes, you can use Digirig DR-891 for soundcard+PTT as well as a secondary USB port over a single USB connection to computer.