Not really sure whats going on but last week no problems, VARA FM, VARA HF, WJstx (FT8) this weekend its no longer hearing audio and PTT not working either. I have been through all the posts here, youtube also and watched the videos and went step by step on audio and microphone trouble shooting. No sound is coming through the speakers and no PTT working at all.
Maybe plugged in a different USB port and windows created new devices.
The sound device description in control panel doesn’t match what you have selected in WSJT-X.
From the waterfall display I see that Vara is not receiving audio. Previously you had wrong audio devices selected:
Doesn’t look like WSJT-X receives audio. No new screenshot of the audio settings there so I’m not sure if wrong device selected there too. For good measure you want to re-select the correct audio device and save the settings there. When audio comes in, you’ll see the noise on the waterfall.
I see CAT test in WSJT-X passed; PTT should be working too. Let me know if it doesn’t.
OK sorry for the delayed response I went and watched your video again and named the devices digirig. But now I have another problem: I pluged in the two cables, radio off of course, then the cables into the green and black, then the USB into the computer. Turned the computer on and waited for the boot up, then turned the radio on. The data jack connection in the back of the radio is making a weird sound. I will try and link it so you can hear it to my Youtube channel (this is not public just link view only) becaue I really like Digirig and this is just something that happens.
icom 706 weird noise
So pretty much at this point I believe its either the radio DIN or the cable but for now Im not hooking it up anymore so hopefully no damage to either the radio or the digirig.
So I’m not really sure how to do this: How would I test the DIN cable to make sure it’s working correctly? That way I would be able to determine if it’s the cable or the DIN connection on the radio. Thanks for any help on this
The buzz from the back of the radio is an interesting phenomenon. This is not something that was previously reported by any operators. We can rule things out on the Digirig side by testing the functions outside of radio connection (audio loopback, serial loopback, cable).
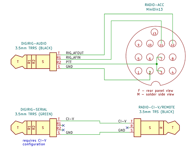
The schematic for the cable is published in the product page. You can test your cables against this schematic using a continuity tester in the multimiter:
Please use the audio and serial troubleshooting tips from the youtube channel to confirm those functions are performing as expected. Note that for Digirig Mobile in CI-V configuration the loopback is already in place internally.
Please share your findings and we’ll figure out further troubleshooting and solution.
Well If I did this correctly: I followed the above schematic and the CI V cable is good to go. The Din cable might be the issue: in testing continuity the individual pins on the DIN side did not have continuity to the TRS plug for any of the Tip, R1, R2 and sleeve. So if I’m going about this and did the testing correctly it looks like the DIN cable is not working. I also tested the digirig mobile using an HT like in the video and it worked like exactly in the video. So at this point I believe it is the DIN cable.
When testing the DIN cable, please keep in mind that the schematic shows the solder side of the cable. The view is mirrored when accessing from pin side.
Ok so I am kinda confused: on the DIN cable if i check continuity between the pins and the TRS side of the cable shouldnt i get continuity between them? For example: if i Test between pin 3 and the R2 side of the TRRS If its good i should get a tone? Just kinda comfused with the mirrored part.
Oh by the way thanks for helping me with this I appreciate it very mucn.
There should be continuity from each of the pins on the TRRS side to at least one of the pins on the DIN side. Now re-reading your previous post it sounds like this is not the case which means the cable is shot. If this is from a recent purchase, please reach out through the website for replacement arrangements.
Got the new cables and they are working great! Thanks so much and just ordered some other cables for the following radios: Yaesu 5100, 2500M and the boat anchor FT-736R. Outstanding customer service cant say enough good things about Digirig!





































