ICOM Cable RJ45 Audio

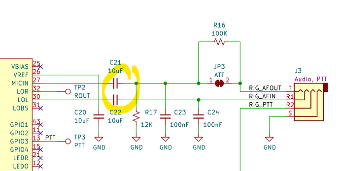
For the Icom V3500 the audio line is at 8v. Is there a capacitor in the digirig, or does the icom rj45 cable have one built in?

Thanks

There are DC decoupling capacitors on both audio lines in all Digirig models:

1 Like