I bought an Alinco DR-140TQ and the ICOM RJ45 cable which should be a direct match for this radio based on the pinouts I’ve found. Seems like everything works: I hear the radio, PTT works, etc. The trouble is that when I TX I get a very VERY weak (or perceptually non-existent) single as heard from another radio. I can’t put out a signal strong enough for weak signal software to hear. I’ve cranked up the output volumes in windows in all the ways I can think of, including using a gain plugin for the device - I’ve tried two different digirigs to see if the new one was having a problem, but they both do it. Its like the signal is getting attenuated in radio or something. Does anyone have any advice as to where I can look to try and track this issue down?
Interesting. My experience is the Digirig has stronger audio than other soundcards I’ve tried. I guess the obvious next step would be to try it on a different radio, but you might not have one. Then analyze the results. I use my Icom RJ-45 on several different radio brands by building jumpers with Cat5 cable. Don’t know much about the Alinco- does it have a mic gain to adjust?
I think its a cable problem. I’ve tried it now with an ICOM IC-2200h and with various different software, and its the exact same as it is with my Alinco. I’ve also tried it on 2 different digirigs.
@K0TX Whats the next step on this cable issue?
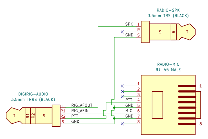
Next step would be to confirm the cable thesis. Do you have a multimeter with a continuity function? Please check the connections against the schematic below (also available in the product page) to see if there are any issues:
Something is wrong with the cable, I don’t get continuity from Mic to R1, which would explain a lot thinking about it.
RR, I’ll take care of the replacement.
